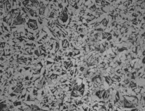
魏氏體,在0.15% ~ 0.50% C的鋼中產生,在鑄造、鍛造和焊接加工時,由于加熱溫度過高,導致奧氏體晶粒較粗;冷卻時,產生的先共析鐵素體呈片狀或粗大羽毛狀,與原奧氏體有一定位向關系,這種組織稱為魏氏體組織。在亞共析鋼中常見的魏氏組織呈羽毛狀,有呈等邊三角形的,有與鐵素體相互垂直的,也有混合型的魏氏組織。
產生異常組織的原因
魏氏組織產生主要原因是鍛造時的加熱溫度過高,奧氏體晶粒粗大,冷卻時產生魏氏組織。魏氏組織容易出現在過熱鋼中,因此,奧氏體晶粒越粗大,越容易出現魏氏組織。低合金鋼的鍛造加熱一般在氧化性氣氛中進行,如發生過燒現象,也形成嚴重的魏氏體組織,過燒組織在隨后的熱處理過程中是無法修復的。魏氏組織常伴隨著奧氏體晶粒粗大而出現,也即晶粒粗大與過熱魏氏組織是相隨相生的。鋼由高溫較快地冷卻下來往往容易出現魏氏組織,慢冷則不易出現。在低合金鋼的鍛造過程中,即使始鍛、終鍛溫度合適,如鍛后冷卻不規范,也有可能形成魏氏體組織。結合金相分析結果來看,鋼的表面形成大量魏氏組織,但脫碳現象不是特別嚴重,因此,可能只是加熱溫度過高導致晶粒粗大、形成魏氏組織,在過熱溫度段停留時間不是特別長而未造成嚴重脫碳現象。
齒輪毛坯鍛打開裂的原因
鋼由于加熱溫度過高導致奧氏體晶粒粗大,并產生魏氏組織,會導致鋼的力學性能尤其是塑性和沖擊韌性顯著降低,同時使脆性轉折溫度升高,即增加鋼的脆性,因此嚴重的魏氏組織會導致后續鍛打加工時產生開裂。結合鍛打試樣的形貌,裂紋向基體延伸與鋼的表面基本呈特定的方向(30°、45°角) ,這與魏氏組織與原奧氏體有一定位向是對應的。可見鍛打裂紋的形貌及組織分析結果都表明,導致鍛打開裂的原因是鋼過熱導致奧氏體晶粒粗大、產生魏氏組織。
1) 通過化學成分、非金屬夾雜物、金相組織等分析,表明鍛打開裂的齒輪毛坯試樣存在異常的魏氏組織及晶粒粗大現象;
2) 分析魏氏組織及晶粒粗大產生原因可知,導致鍛打開裂的主要原因是毛坯加熱溫度過高,導致奧氏體晶粒異常粗大,同時產生魏氏組織,使齒輪毛坯的脆性轉折溫度升高,即增加鋼的脆性,最終導致鍛打時開裂;
3) 預防齒輪鋼鍛打開裂的主要措施是控制好加熱溫度,防止過熱,并控制鍛后冷卻速度,防止冷速過快。
